2000 kva 10 kV pengubah pengedaran jenis kering
Description/kawalan
Parameter teknikal
3 fasa cast resin jenis pengubah pengubah jenis kering
Prinsip kerja asas pengubah pengedaran dua fasa dua fasa kering adalah berdasarkan undang-undang induksi elektromagnetik Faraday. Apabila voltan bergantian digunakan untuk penggulungan utama pengubah pengedaran, arus berganti akan mengalir melalui penggulungan. Arus berganti ini menghasilkan daya magnetomotif bergantian, yang seterusnya menghasilkan fluks magnet bergantian dalam teras besi. Fluks magnet berganti ini melepasi kedua -dua belitan utama dan sekunder secara serentak. Menurut undang -undang induksi elektromagnetik, daya elektromotif akan diinduksi dalam penggulungan sekunder. Jika penggulungan sekunder disambungkan ke beban, arus akan mengalir melalui beban, membolehkan penghantaran dan pengedaran tenaga elektrik.
Video pengubah pengedaran dua fasa yang kering
2000 kva 10 kV butiran pengubah pengedaran jenis kering
Kelebihan
1. Mendapatkan kerugian rendah, pelepasan separa minimum, dan operasi yang tenang. Mempunyai pelesapan haba yang sangat baik, yang membolehkan operasi beban 120% dengan penyejukan udara terpaksa.
2. Rintangan kelembapan yang luar biasa, beroperasi dengan lancar pada kelembapan 100%. Tidak ada pengeringan sebelum dimulakan semula selepas penutupan.
3.Mengerahkan operasi selamat, adalah api dan pencemaran - percuma, dan boleh dipasang terus di pusat beban.
4. Berkomitmen dengan sistem perlindungan suhu yang komprehensif untuk keselamatan yang boleh dipercayai.
5. Tidak ada penyelenggaraan, mudah dipasang, dan mempunyai kos operasi keseluruhan yang rendah.
6. Operasi lapangan menunjukkan kebolehpercayaannya setanding dengan piawaian teratas antarabangsa.
Skop bekalan
Produk: Pengubah Pengedaran Tap-Peralihan Teknik
Tahap Voltan: Sehingga 11 KV
Tahap Penilaian: Sehingga 2500 KVA
Transformer yang tidak berubah-ubah yang tidak dapat dipancarkan dua-mengikat boleh direka mengikut keperluan pelanggan.
Komponen produk

Lembaran data teknikal
2000 KVA 10 kV Spesifikasi Pengubah Pengedaran Jenis Kering dan Lembaran Data
| Nominal | Voltan Unit Combination | Voltan rendah (kV) | Kumpulan vektor | Kehilangan tanpa beban (w) | Loasloss (w) | Arus tanpa beban (%) | Impedans litar pintas (%) | ||
| kapasiti (kva) | Voltan Tinggi (KV) | Ketuk voltan tinggi | Kelas f | H Kelas | |||||
| julat | (120ºC) | (120ºC) | |||||||
| 50 | 35 36 37 38.5 |
± 2 × 2.5% atau ± 5% | 0.4 | Yyn 0 Dyn11 |
450 | 1420 | 1520 | 2.3 | 6 |
| 100 | 630 | 2090 | 2230 | 2 | |||||
| 160 | 790 | 2810 | 3000 | 1.5 | |||||
| 200 | 880 | 3320 | 3550 | 1.5 | |||||
| 250 | 990 | 3800 | 4060 | 1.3 | |||||
| 315 | 1170 | 4510 | 4820 | 1.3 | |||||
| 400 | 1370 | 5410 | 5790 | 1.1 | |||||
| 500 | 1620 | 6650 | 7110 | 1.1 | |||||
| 630 | 1860 | 7690 | 8230 | 1 | |||||
| 800 | 2160 | 9120 | 9760 | 1 | |||||
| 1000 | 2430 | 10400 | 11100 | 0.75 | |||||
| 1250 | 2830 | 12700 | 13600 | 0.75 | |||||
| 1600 | 3240 | 15400 | 16500 | 0.75 | |||||
| 2000 | 3820 | 18200 | 19500 | 0.75 | |||||
| 2500 | 4450 | 21800 | 2330 | 0.75 | |||||
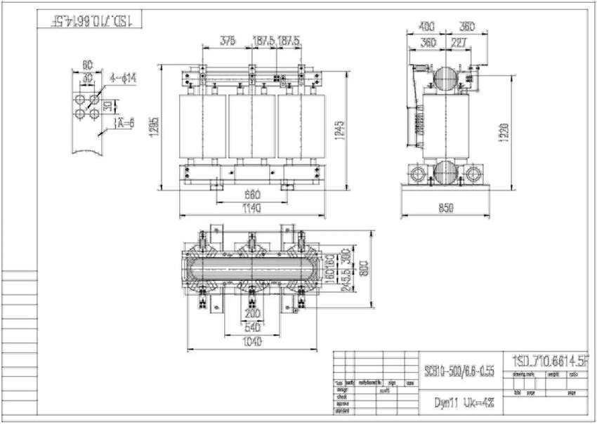
Lukisan Pengaturan Umum

2000 kva 10 kV teras pengubah resin kering

Selesai 2000 kva 10 kV pengubah kering

Penghantaran Pengubah Jenis Kering 2000 KVA dan bersedia untuk dihantar

Kelebihan untuk pengubah jenis kering resin cast
2000 kVA 10 kV Transformer pengedaran jenis kering menawarkan beberapa kelebihan, termasuk penebat elektrik yang sangat baik, kekuatan mekanikal yang tinggi, dan kestabilan terma yang baik. Berikut adalah pengenalan terperinci:
1.Prestasi elektrik unggul: Resin pemutus yang digunakan menyediakan sifat penebat elektrik yang sangat baik, yang secara berkesan dapat mencegah kerosakan elektrik dan kebocoran. Ini memastikan operasi pengubah resin cast kering di bawah pelbagai keadaan kerja dan membantu mengekalkan kestabilan sistem elektrik.
2.Kekuatan mekanikal yang tinggi: Transformer pengedaran resin cast ini mempunyai struktur yang mantap kerana enkapsulasi resin pemutus. Mereka dapat menahan daya mekanikal seperti kesan litar pendek dan getaran, mengurangkan risiko kerosakan komponen dalaman dan meningkatkan kebolehpercayaan keseluruhan dan hayat perkhidmatan tiga fasa pengubah jenis kering.
3.Kestabilan terma yang baik: Cast Resin Dry - Jenis transformer mempunyai haba yang baik - ciri -ciri pelesapan. Bahan resin secara berkesan dapat memindahkan haba yang dihasilkan semasa operasi, yang membolehkan pengubah teras kering untuk mengekalkan suhu yang agak stabil. Ini membantu mengelakkan terlalu panas dan mengurangkan risiko penuaan haba bahan penebat, dengan itu memastikan operasi selamat pengubah semasa jenis kering.
4.Keramahan alam sekitar: Mereka tidak menggunakan minyak sebagai penyejuk, menghapuskan risiko kebocoran minyak dan pencemaran. Ini menjadikan mereka lebih sesuai untuk digunakan dalam persekitaran di mana perlindungan alam sekitar adalah kebimbangan, seperti di kawasan bandar, hospital, dan sekolah.
5.Bunyi rendah: Proses reka bentuk dan pembuatan transformer resin cast menghasilkan operasi bunyi yang rendah. Ini bermanfaat dalam aplikasi di mana pengurangan bunyi diperlukan, seperti di bangunan komersial dan kawasan kediaman.
6.Penyelenggaraan yang mudah: Dengan struktur yang mudah dan tidak memerlukan penyelenggaraan yang berkaitan dengan minyak, transformer pengedaran bekalan kuasa ini agak mudah dikekalkan. Pemeriksaan rutin terutamanya memberi tumpuan kepada memeriksa keadaan penebat resin dan sambungan elektrik, mengurangkan kos penyelenggaraan dan downtime.
Soalan Lazim
S: Adakah anda pengeluar atau syarikat dagangan?
A: Kami adalah kilang asal berlesen, yang membolehkan pengeluaran dan eksport langsung.
S: Bagaimana saya boleh membuat pesanan?
Untuk memulakan perintah, hantarkan satu pertanyaan yang menyatakan keperluan produk terperinci. Sama ada melalui mesej atau e -mel, harapkan balasan segera dalam masa 24 jam.
S: Maklumat apa yang diperlukan untuk transformer tersuai?
A: Lukisan teknikal dan spesifikasi terperinci adalah ideal. Sebagai alternatif, penyenaraian parameter utama (misalnya, voltan, kapasiti) membolehkan kita merancang pengubah dengan sewajarnya.
S: Berapa lama anda boleh menghantar pengubah?
A: Masa penghantaran bergantung kepada kuantiti pesanan dan kapasiti pengubah. Umumnya, kami mensasarkan dalam masa satu bulan selepas pembeli mengesahkan lukisan reka bentuk.
S: Apakah standard pakej?
A: Standard kami adalah menggunakan kes papan lapis yang kukuh. Mereka sangat tahan lama, menawarkan perlindungan yang hebat terhadap kesan semasa transit. Kami juga menyediakan pembungkusan tersuai, sama ada bahan yang berbeza atau kusyen tambahan.
S: Mengapa saya harus mempercayai syarikat anda?
Ditubuhkan pada tahun 2008, GNEE telah mengumpulkan 18 tahun pengalaman profesional dalam pembuatan dan eksport transformer pengedaran kuasa. Ia telah berjaya menyampaikan lebih daripada 50, 000 unit transformer di seluruh dunia. Dilengkapi dengan pasukan lebih daripada 200 profesional dan kemudahan pengeluaran yang meliputi kawasan 20, {6}} meter persegi di Shijiazhuang, Xingtai, dan Anyang, kami memanfaatkan sepenuhnya lokasi strategik untuk memudahkan akses kepada bahan mentah dan meningkatkan kecekapan rantaian bekalan.
Cool tags: 2000 kva 10 kV Pengubah Pengedaran Jenis Kering, China 2000 KVA 10 kV Pengagihan Pengagihan Jenis Kering Pengubah, Pembekal, Kilang, ကျောင်းအဆောက်အအုံများအတွက် ppgl, Silers များအတွက်ဆီလီကွန်သံမဏိ, Cinemas များအတွက်အအေးသံမဏိ, မော်တော်ကားဘီးသံမဏိ, Trombone အတွက်ဆီလီကွန်သံမဏိ, ဆီလီကွန်သံမဏိဖြန့်ဖြူးသူ
Hantar pertanyaan
Anda mungkin juga berminat










